一种红外导引头制冷供气测试系统的设计

Infrared Seeker Refrigeration Gas Supply Test System

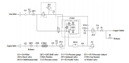
  • 摘要: 红外导引头制冷供气测试系统用于某武器系统红外导引头制冷时间测试,验证一定压力下高压氩气对导引头的制冷效果。本文介绍了该系统的组成和结构设计,主要采用高压氩气作为制冷气源,通过高低温试验系统控制并模拟导引头实际工作温度,通过数据采集系统完成制冷时间、压力、温度测试和成像显示。结合系统在工程应用中常见问题,提出了结构改进方案,通过多年的生产应用,验证了该系统能够满足某型武器系统红外导引头的批量测试需求。

     

    Abstract: An infrared seeker refrigeration gas supply test system is used to determine the cooling time of an infrared seeker in a weapon system to verify the cooling effect of high-pressure. This study introduces the composition and structural design of the system by primarily using high-pressure argon as the refrigeration gas source. Argon controls and simulates the actual working temperature of the seeker through a high- and low-temperature test system, thereby controlling the cooling time, pressure, temperature test, and imaging display through the data acquisition system. To overcome common problems of systems in engineering applications, structural improvement schemes are proposed. Through several years of production and application, it is verified that the system can meet the requirements of batch testing for infrared seekers in weapon systems.

     

/

返回文章
返回