单活塞线性斯特林制冷机半正定减振系统研究

Research on Positive Semi-Definite Vibration Damping System of Single-Piston Linear Stirling Cryocooler

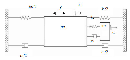
  • 摘要: 当前,对于吸振器和单活塞线性斯特林制冷机振动系统的研究,几乎都是在已知制冷机进行某种固定安装方式的正定模型上进行的。而这种正定方法由于缺乏对制冷机和吸振器系统固有频率的分析,当改变系统的安装方式后,可能会产生共振并减小吸振器的减振效果。基于此,本文将对制冷机和吸振器振动系统在未进行任何安装时的半正定模型进行理论分析,并通过悬挂测试法对制冷机适配吸振器前后进行振动实验。由此得到了系统在半正定模型下的理论固有频率值为78.6Hz。而通过实验可发现,受吸振器实际加工和装配的影响,系统的固有频率随吸其刚度的增大而增大,其增大的范围在78.1~80.8 Hz之间。

     

    Abstract: At present, research on the vibration system of the vibration absorber and the single-piston linear Stirling cryocooler is almost entirely carried out on the positive definite model of a certain fixed installation method for the known cryocooler system. Owing to the lack of analysis of the system's natural frequency using this method, resonance may occur, and the damping effect of the vibration absorber may be reduced when the installation method is changed. Therefore, this study conducts a theoretical analysis of the positive semi-definite model of the cryocooler and the vibration system of the vibration absorber without any installation and performs vibration experiments before and after the cryocooler is fitted with the vibration absorber through the suspension test method. The theoretical natural frequency value of the system under the positive semi-definite model is 78.6 Hz. Through experiments, it can be found that, due to the actual processing and assembly of the vibration absorber, the natural frequency of the system changes with the vibration absorber's stiffness within the range of 78.1 to 80.8 Hz.

     

/

返回文章
返回