基于改进YOLO v3算法的空中红外目标检测

Aerial Infrared Target Detection Based on Improved YOLO v3 Algorithm

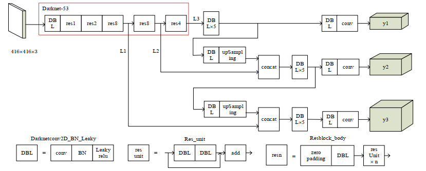
  • 摘要: 为进一步提升空中作战条件下目标检测的性能,本文通过优化YOLO v3,提出了一种基于空中红外目标的检测算法EN-YOLO v3。该算法使用轻量的EfficientNet骨干网络作为YOLO v3的主干特征提取网络,使模型参数大幅减少,降低模型的训练时间;同时选用CIoU作为模型的损失函数,优化模型损失计算方法,提升模型的检测精度。结果表明,优化后的EN-YOLO v3目标检测算法与原YOLO v3相比模型尺寸减少了50.03%,精准度提升了1.17%,能够有效提升红外场景下空中目标的检测效果。

     

    Abstract: To further improve the performance of target detection under air combat conditions, a detection algorithm, namely EN-YOLO v3, based on an air infrared target and the optimization of YOLO v3, is proposed in this paper. The algorithm uses the lightweight EfficientNet backbone network as the backbone feature extraction network of YOLO v3 to reduce the number of model parameters and training time. Additionally, CIoU is used as the loss function of the model to optimize the model loss calculation method and improve its detection accuracy. The results show that compared with the original YOLO v3, the optimized EN-YOLO v3 target detection algorithm reduces the model size by 50.03% and improves the accuracy by 1.17%. This can effectively improve the detection of aerial targets in infrared scenes.

     

/

返回文章
返回