基于自动门控电源的微光像增强器局部强光防护

Local Bright-light Protection for Low-Light-Level Image Intensifier Based on Auto-gating Power Supply

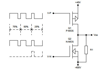
  • 摘要: 自动门控电源作为微光像增强器的能量来源,其局部强光防护方法研究对完善自动门控电源控制策略、提升微光像增强器强光使用性能具有重要意义。分析了匹配传统直流高压电源与自动门控电源的微光像增强器大动态照度范围应用的优劣势,提出了一种能够使微光像增强器兼具高照度应用和低照度局部强光防护能力的自动门控电源设计思路,并给出了自动门控电源电路的控制策略实现方法。

     

    Abstract: Auto-gating power supply is the energy source of low light level image intensifiers, and research on its local bright-light protection method is of great significance for improving the control strategy of auto-gating power supply and the bright-light performance of low light level image intensifiers. This paper analyzes the advantages and disadvantages of the low light level image intensifier that matches the DC high-voltage power supply and auto-gating power supply in the application of a large dynamic illumination range. A design idea for an auto-gating power supply is presented, which can provide the low light level image intensifier with high illumination application and low illumination local bright-light protection and offers a control strategy for an auto-gating power supply circuit.

     

/

返回文章
返回