一种微光像增强器的电磁兼容设计与实现

EMC Design and Implementation for Image Intensifiers

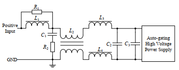
  • 摘要: 一种微光像增强器的抗电磁干扰能力弱,不能通过电磁兼容(electromagnetic compatibility, EMC)试验,因此推测其在战场的复杂电磁环境下很可能出现同试验结果一样的现象,即荧光屏闪烁、高亮、熄灭等,可能干扰夜视观察。为了满足EMC要求,本文首先进行电磁兼容试验摸底,基于试验结果分析该像增强器的EMC设计薄弱环节,确定了影响EMC的关键因素,其次开展高频滤波、金属屏蔽和低阻抗接地等设计技术,最终在200 V/m强电场抗干扰试验中,该微光像增强器在全频率范围内稳定显示,通过了测试,具备了抗电磁干扰能力。

     

    Abstract: An image intensifier cannot pass an electromagnetic compatibility (EMC) test because of its weak anti-electromagnetic interference (EMI) ability. Therefore, it is speculated that abnormal phenomena, such as flickering, highlighting, and extinction of the fluorescent screen, similar to that observed in the test results may occur in the complex electromagnetic environment of a battlefield. This will likely interfere with night vision observation ability. To meet EMC requirements, this study first analyzed the EMC design weaknesses of an image intensifier based on EMC test results and determined the key factors affecting EMC. Next, high-frequency filtering, metal shell shielding, and low-impedance grounding were designed accordingly. Finally, the image intensifier was subjected to an anti-radiation interference test in a 200 V/m electric field; results indicated that the image intensifier was stable in the whole frequency range, verifying the acquired anti-EMI ability.

     

/

返回文章
返回