面向空间应用的四象限探测器筛选系统

Screening System of Four-quadrant Detector for Space Application

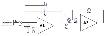
  • 摘要: 空间科学仪器广泛使用基于四象限光电探测器的太阳导行镜指向跟踪系统来实现对日精确指向控制。为满足对日指向高精度高稳定性需求,提出面向空间应用的四象限光电探测器筛选方法,研制针对四象限光电探测器的筛选系统。通过对比筛选试验前后四象限探测器的暗电流、响应度及象限响应度均匀性等参数变化,依据判别准则分析探测器的空间环境适应性,剔除可能存在的早期失效或性能差异变化较大的探测器。试验结果表明:研制的筛选系统具有高准确度,系统前端等效输入电流噪声为0.58 fArms,通过筛选试验后依据评估标准最终优选的四象限光电探测器各通道暗电流绝对值最大值为6.08 pA,各通道的响应度变化最大值为0.716%,各象限响应度非一致性筛选前后变化最大值为1.24%。最终将该四象限探测器应用至太阳导行镜指向跟踪系统上,满足航天环境条件的使用要求。该筛选装置及筛选方法可实现对面向空间应用的四象限光电探测器的筛选,且对其他光电器件筛选具有借鉴意义。

     

    Abstract: Space science instruments use solar-guide mirror pointing and tracking systems based on four-quadrant photodetectors to achieve precise pointing control of the sun. To satisfy the requirements of high precision and stability, a four-quadrant photodetector screening method for space applications was proposed, and a screening system for the four-quadrant photodetector was developed. By comparing the dark current, responsivity, and quadrant responsivity uniformity of the four-quadrant detector before and after the screening test, the space-environment adaptability of the detector was analyzed according to the discriminant criteria. Additionally, detectors with early failures or large changes in performance can be eliminated. The results show that the developed screening system has high accuracy, and the equivalent input-current noise at the front end of the system is 0.58 fArms. After the screening test, the maximum absolute value of the dark current of each channel of the detector selected according to the evaluation standard was 6.08 pA. The maximum change in the response of each channel was 0.716%, and the maximum change in the response of each quadrant before and after the nonuniformity screening was 1.24%. Finally, the four-quadrant detector was applied to the solar guide mirror pointing and tracking system, and met the requirements of aerospace environmental conditions. The screening device and screening method can be employed to screen four-quadrant photodetectors for space applications, providing significance reference for the screening of other photoelectric devices.

     

/

返回文章
返回