基于改进YOLOv5s的航拍红外图像目标识别方法

Aerial Infrared Image Target Recognition Method Based on Improved YOLOv5s

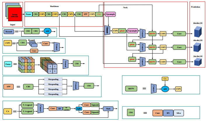
  • 摘要: 为了提高无人机在黑暗条件下的识别效率,降低在复杂环境及路况方面存在漏检及延时效果等问题,本文提出了一种改进的YOLOv5s-GN-CB红外图像识别方法,该方法可以提高无人机红外航拍图像对车、人等多类目标识别效率。本文对YOLOv5s的主要改进包括以下3个方面:将Ghost引入到YOLOv5s主干网络中,并将NWD loss损失函数融入至Ghost中;添加注意力机制CA;添加加权双向特征金字塔BiFPN。经验证,改进的YOLOv5s-GN-CB检测模型在InfiRay红外航拍人车检测数据集下目标识别平均精度均值(mAP@0.5)达到95.1%,FPS提高至75.188帧/s。相较于YOLOv5原始模型的平均精度均值和FPS分别提高了4.2%和12.02%。在对同一场景中无人机航拍红外图像目标识别的检测精度有明显提升,延时率有所下降。

     

    Abstract: To enhance the recognition efficiency of UAVs in dark conditions and reduce missed detections and delays in complex environments and road conditions, this study proposes an improved YOLOv5s-GN-CB infrared image recognition method. This method enhances the efficiency of UAV infrared aerial images for detecting vehicles, people, and other types of targets. The main improvements to YOLOv5s achieved in this study include the following three aspects: 1) introducing the Ghost module into the YOLOv5s backbone network and incorporating NWD loss into Ghost; 2) adding the coordinate attention (CA) mechanism; 3) incorporating a weighted bidirectional feature pyramid network (BiFPN). The improved YOLOv5s-GN-CB detection model achieves an average accuracy of 95.1% (mAP@0.5) on the InfiRay infrared aerial photography man-vehicle detection dataset, with the FPS increased to 75.188 frames per second. Compared with the original YOLOv5 model, the average accuracy and FPS are improved by 4.2% and 12.02%, respectively. In the same scenario, the detection accuracy of UAV aerial photography infrared image target recognition has been significantly improved, and the delay rate has decreased.

     

/

返回文章
返回